11月6日,在佛山市顺德区政务服务高质量供给发布会上,顺德正式推出工程建设项目“一企一图”政务服务新模式。这一将报建服务从“标准套餐”升级为“私人订制”的创新举措,标志着顺德政务服务从“追求速度”向“精准适配”的深度转型,让政务服务真正适配企业的个性化节奏。
这项举措是顺德践行企业家大会精神,构建新型“合伙人”政企关系的又一落地举措,更是顺德以“敢为人先、奋楫争先”的精神,全力打造改革、开放、创新、协同的高效服务型政府的生动实践。
“一企一图”,政务服务从快到“又快又好”
在顺德政务服务改革进程中,工程报建领域始终走在前列。
2022年,顺德在工程建设领域推行“拿地即开工”,之后通过“标准地+审批代办+分阶段施工许可+容缺审批”全链条优化,实现了项目快速动工的常态化。2024年,顺德又推出了“竣工即投产”,进一步压缩项目投产前的等待时间。
据统计,2022年以来,顺德共有73个项目实现“拿地即开工”,87个项目实现“竣工即投产”,数量五区最多;全区社会投资工程建设项目全流程平均跨度用时由原来的168天大幅压缩至92天,用时五区最短,实现了工程报建全流程大提速。
但改革不能止步于“速度”。“‘快’并非所有企业唯一的需求,有的企业希望先完成地下工程建设,待资金充裕后再进行地上部分;有的企业装修方案尚未最终确定,希望主体工程先行。”顺德区政务服务和数据管理局局长温联洲透露,在与企业对接过程中,审批部门发现,企业需求是多元的,企业更希望能拥有符合自身资金安排、建设计划的“个性化”报建方案。
针对这一痛点,顺德区政数局迅速行动,创新开发“一企一图”工程报建服务专区,构建“一企一图个性导航+专人代办贴心护航”的双重保障体系。
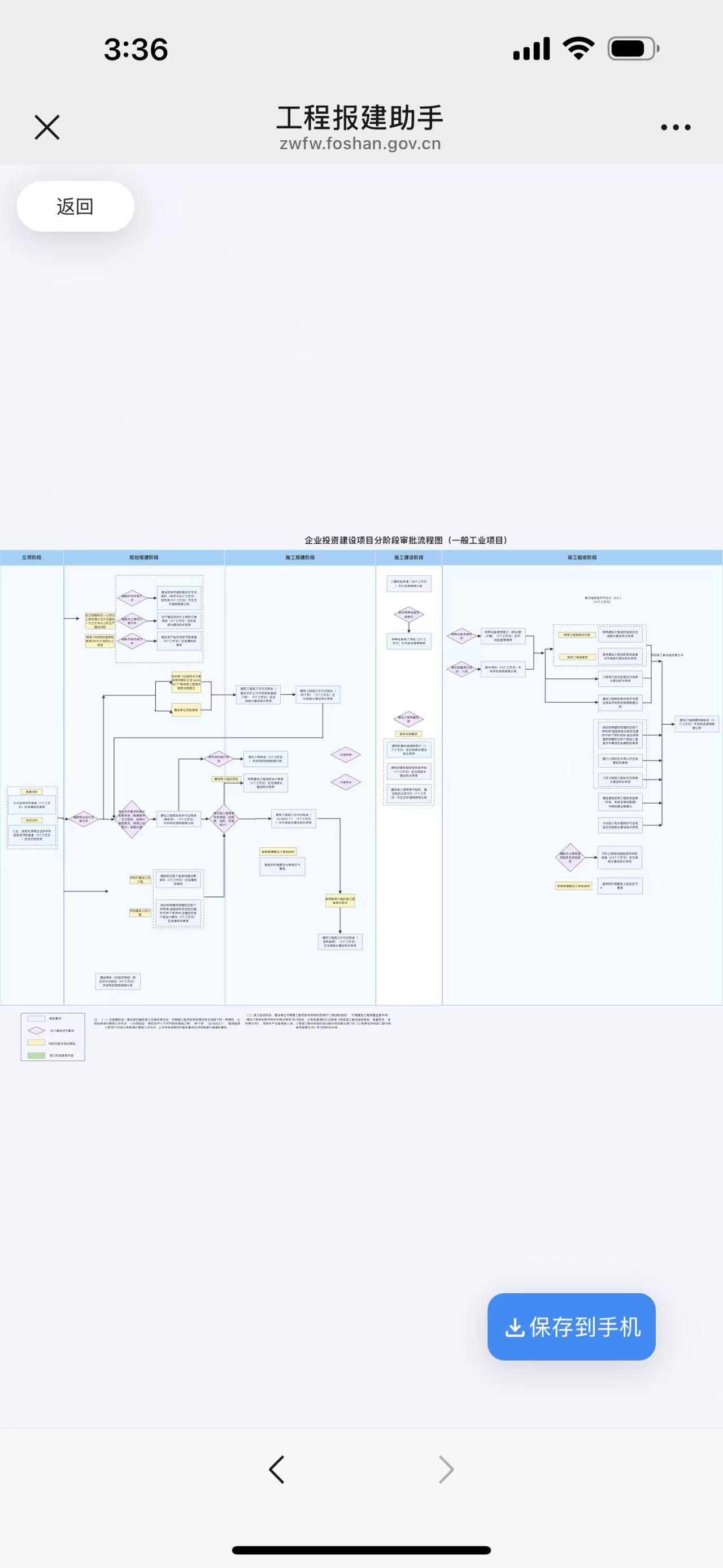
其中“一企一图”模块堪称政务服务的“智能导航系统”:基于基坑支护和土方开挖、桩基础工程等5个施工许可证的7种组合形式,结合一般工业、房屋建筑、旧厂房改造等项目类型,顺德精心绘制23张差异化审批流程图。这些流程图不仅清晰呈现从立项到竣工的全流程脉络,更精准标注每个环节的办理时限与申报材料清单。
服务专区设在“顺德政务百事通”官方微信菜单栏的“工程报建助手”。企业只需输入项目需求,系统便可自动匹配专属“报建路线图”和“材料包”,真正实现“一图在手、心中有数”。

工程报建助手入口。
与此同时,“一跟到底”服务则为企业配备“政务服务管家”。目前,区代办服务中心共有15名代办人员,为确保改革落地见效,顺德将为每个报建项目配备一名专业代办员,提供从政策解读、申报辅导到问题协调、进度跟进的全流程“保姆式”免费服务,形成双重“保险”,确保项目审批“不卡壳、不延误”,真正让企业省心、安心。某建筑企业负责人表示:“以前报建需要反复跑部门问流程,现在有了专属代办员,从资料准备到审批跟进全程有人管,我们可以更专注于项目建设本身。”
据悉,“一企一图,一跟到底”的改革举措将在环两江先行区率先推广。未来,将根据实施效果及企业反馈逐步将改革推广至全区,让更多企业享受到“量身定制”的政务服务体验,为顺德营造一流宜商环境再添新动能。
改革矩阵成果丰硕,未来改革将从四大方向着手
近半年来,顺德区以“敢为人先、奋楫争先”的精神,密集推出三大改革举措,形成政务服务创新矩阵。
在企业办事“松绑减负”方面,顺德在全省率先推行“容错审批”制度,首批112项高频事项实现“容缺+容错”双轨并行,实施半个月已有156家经营主体受益,办事耗时平均缩短30%。
在信用体系建设领域,在全市创新建立“信用承诺制”,推动监管方式从“资金担保”向“信用约束”转变。信用良好的企业参与投标时,可用“信用承诺书”替代保证金,预计每年可为区内投标企业节省成本约300万元。与此同时,承诺企业若在招投标过程中出现违约或失信行为,企业不仅须补缴保证金,还将面临“双重惩戒”:两年内禁止适用信用承诺政策,其失信行为也将通过“信用广东”网站向社会公开曝光,形成“诚信一路畅通,失信寸步难行”的市场环境。

在公共资源交易监管方面,顺德研发应用AI智能评标系统,实现招投标监管从“人工盯防”向“智能防控”的跨越。系统通过“深度语义理解+结构化解析”双引擎架构,自动核验资质条件、比对业绩真实性,评审效率提升60%以上,同时确保过程全程留痕、可追溯,大幅提升评标质量与公平性。
面向未来,顺德区将牢牢把握“减负、松绑、激活”改革思路,重点推进四项工作:一是拓展“容错审批”事项范围,持续简化流程;二是优化AI智能体,打造更多智慧监管场景;三是加快AI赋能平台建设,助力企业数字化转型;四是建强政务服务站,推动资源下沉并向全区复制推广经验。
未来,顺德将以此次改革为契机,持续深化“政企合伙人”关系,为顺德实现“三个指数第一”贡献政数力量,助力打造一流营商环境。
★★“一企一图”工程报建服务专区操作指引

工程报建助手入口。

工程报建助手首页。

系统匹配对应审批流程图

审批流程图-图为一般工业项目四阶段类型三示例。

根据项目信息匹配相关办事指南。

办事指南-图为房屋建筑四阶段类型三示例。

线上操作指引.

线上操作指引视频页面。
■相关报道
全市首个,环两江先行区政务服务站落地顺德龙江
全省首部!顺德正式发布政银合作省级标准
编辑:万家长